AIR-OIL HEAT EXCHANGERS
IP68
24Volt
TECHNISCHE DATEN
ItemOil flowCapacityWeightVoltageFrequencyCurrent absorptionPower Ø FanAir flowNoise levelRpm
 [l/min][l][kg][V][Hz][A][W][mm][m3/h][dB(A)]
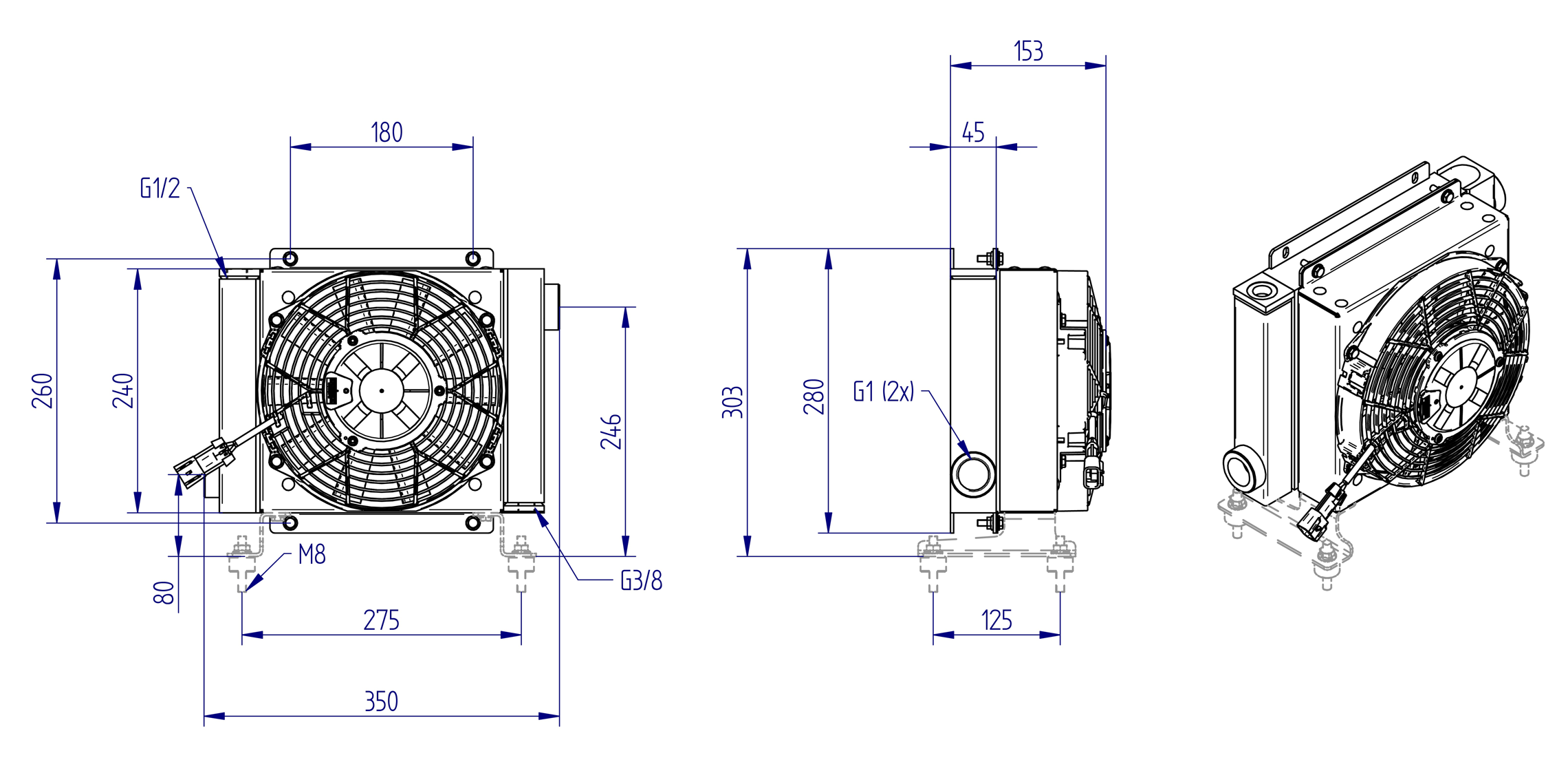
HY016.1-04A10-900,76,5243,8012522563567,3
Leistung
https://www.oesse.com/wp-content/uploads/2020/01/HY01604_rendimento.png[kW/K][l/min]
Druckverlust
https://www.oesse.com/wp-content/uploads/2020/01/HY01604_perdita.png[bar][l/min]

Oil T 80°C
T Amb. 40°C
1 kW = 860 Kcal/h – 1 HP = 0,75 kW

ISO VG 32 at 40°C
Viscosity - ISO VG 32 Oil
Oil22324668150
Correction factor0,811,21,63
Technical data are not binding - The graphs show the central range of heat exchange data
Accessories

Mounting systems - from HY010 to HY057

Fixed temperature thermostats with threaded port 3/8"G

Fixed temperature thermostats with threaded port 1/2"G

Adjustable thermostat

Softstart thermostats with threaded port 3/8"G

Softstart thermostats with threaded port 1/2"G

Thermostats with reverse rotation with threaded port 3/8"G

Thermostats with reverse rotation with threaded port 1/2"G

Connector

Katalog herunterladen

Request the catalog of our new “HY series” driven fans heat exchangers

 

 

Kontaktieren Sie unser Team.
Unsere Experten werden sich bei Ihnen melden.